返回
阿力知识库
网站首页
美食营养
游戏数码
手工爱好
生活家居
健康养生
运动户外
职场理财
情感交际
母婴教育
生活知识
生活百科
知识问答
搜索
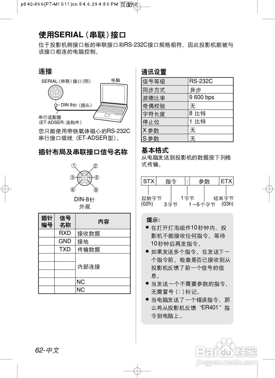
松下投影机PT-U1X87A型说明书:[7]
时间:2026-02-12 20:40:53
本篇为《松下投影机PT-U1X87A型说明书》,主要介绍该产品的使用方法以及常见故障解决方案。
(共篇)
上一篇:
无证驾驶怎么处罚2020年
手机闪退怎么办
高线精轧机增速箱轴承室磨损现场修复的详细步骤
怎样根据电池组去挑选你的新能源汽车
共济失调【舒肌止萎汤】
为你推荐:
里约热内卢旅游
贵州的旅游景点
助学贷款怎么办理
小狗的特点
三国群侠传攻略
剖腹产多久可以淋浴
湖南旅游景点
江苏省旅游
网站怎么制作
新生儿黄疸怎么处理比较快
© 2026 阿力知识库
信息来自网络 所有数据仅供参考
有疑问请联系站长 site.kefu@gmail.com